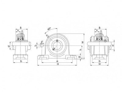
Lagar UCP reprezintă standardul de aur în materie de unități de rulmenți cu carcasă, fiind soluția preferată de ingineri pentru susținerea arborilor rotativi. Cunoscut tehnic sub denumirea de "pillow block", acest ansamblu este format dintr-o carcasă solidă din fontă cu talpă de prindere și un rulment radial oscilant la interior. Este proiectat pentru a oferi o fixare stabilă și durabilă pe suprafețe plane, paralele cu axul.
Caracteristici tehnice superioare
Un avantaj major al utilizării unui lagar UCP este capacitatea sa de auto-aliniere. Rulmentul din interior are suprafața exterioară sferică, ceea ce îi permite să compenseze micile erori de aliniere sau flexiunile arborelui. Fixarea pe ax se realizează simplu și ferm, de obicei prin intermediul a două șuruburi de blocare (știfturi filetate) situate pe inelul interior al rulmentului. Sistemul de etanșare performant protejează calea de rulare împotriva contaminării cu praf, noroi sau apă.
Domenii vaste de aplicare
Versatilitatea acestui produs îl face indispensabil în:
Agricultură: pentru transmisii la utilaje de recoltat și prelucrat solul;
Industrie ușoară și grea: benzi transportoare, linii de ambalare și elevatoare;
Construcții: betoniere, stații de sortare și ventilatoare industriale.
Oferta RulStore
La RulStore înțelegem că fiabilitatea este cheia. De aceea, comercializăm modele de lagar UCP fabricate din materiale de înaltă calitate, care rezistă la vibrații și sarcini mecanice intense. Gama noastră acoperă toate dimensiunile uzuale, asigurând compatibilitatea cu utilajele tale existente.
Verifică diametrul axului și distanța dintre găurile de prindere, apoi alege modelul de lagar UCP potrivit din lista de mai jos. Comandă acum și beneficiază de livrare rapidă din stocul nostru propriu, direct la tine în atelier sau fabrică.
