Van fiókod?
Jelentkezzen be a rendelés gyorsabb lebonyolításához.
38 produse
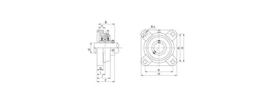
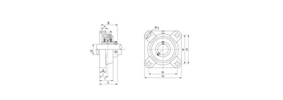
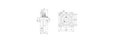
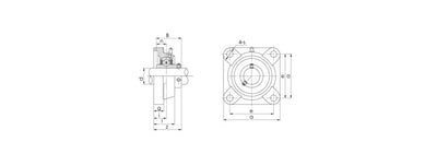
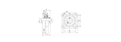
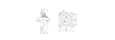
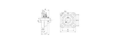
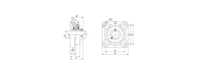
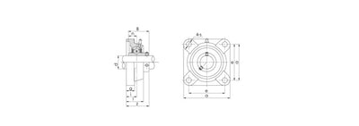
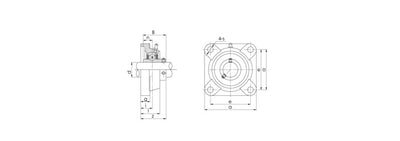
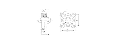
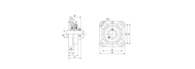
Craft Bearings
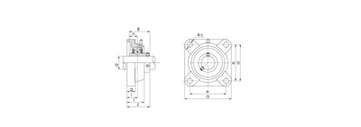
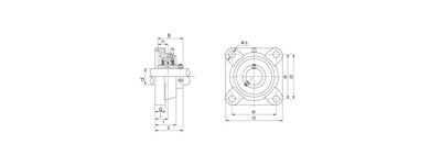
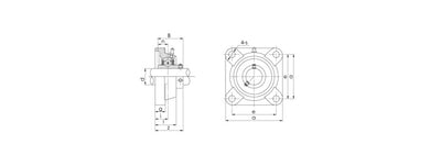
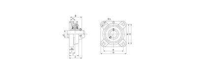
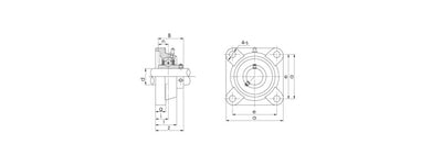
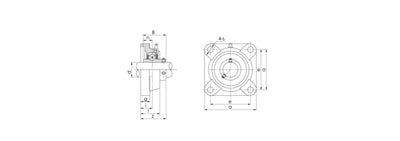
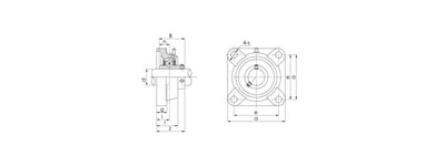
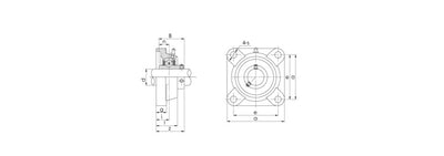
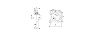
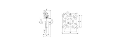
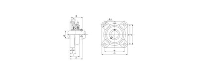
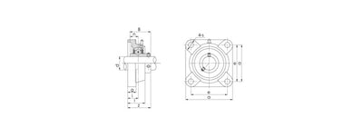
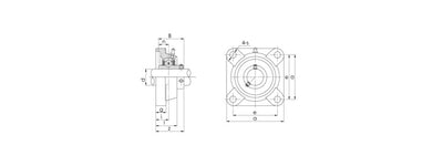
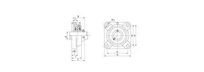
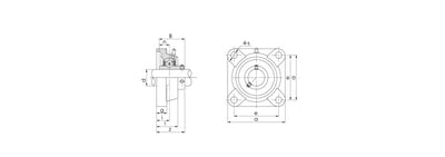
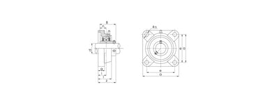
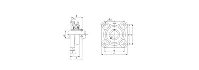
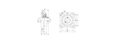
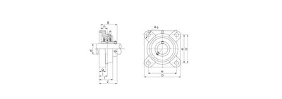
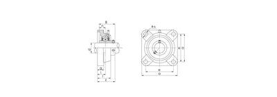
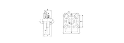
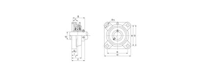
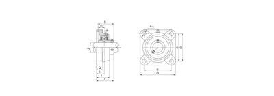
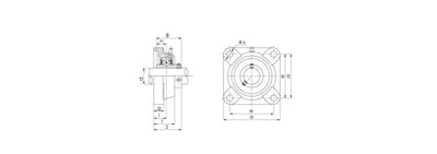
UCF tábor