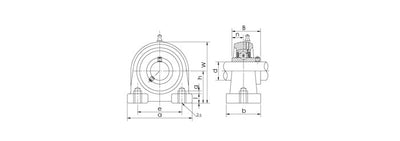
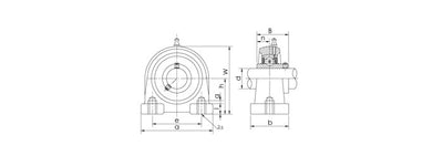
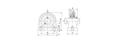
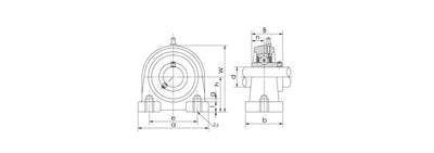
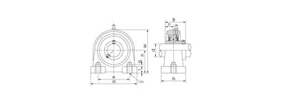
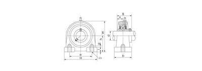
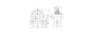
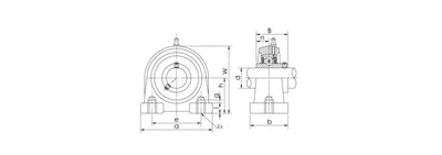
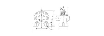
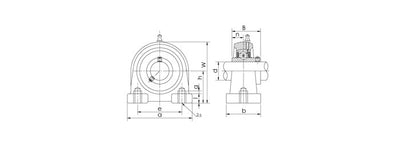
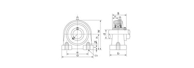
Lagar UCPA este soluția ideală pentru aplicațiile industriale unde spațiul de montaj este extrem de limitat sau îngust. Cunoscută tehnic și sub denumirea de unitate de rulment cu talpă scurtă ("tapped base pillow block"), aceasta se diferențiază fundamental de modelele standard prin sistemul de prindere. În loc să aibă urechi laterale proeminente, carcasa din fontă a unui lagar UCPA este prevăzută cu două găuri filetate direct în baza sa, permițând fixarea discretă de jos în sus sau direct pe structuri compacte.
Avantaje tehnice și utilizare
Datorită designului său compact, acest tip de lagăr este preferat de proiectanți pentru utilajele unde fiecare centimetru contează. Rulmentul interior este oscilant, putând compensa micile erori de aliniere ale axului, și este dotat cu un sistem eficient de etanșare. Carcasa solidă din fontă asigură rigiditatea necesară și protejează mecanismul împotriva șocurilor.











