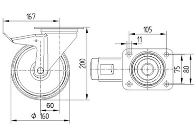
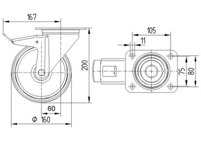
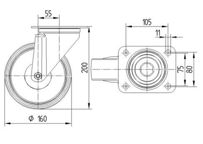
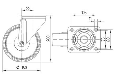
Roata fi 160 mm reprezintă dimensiunea de mijloc ideală pentru echipamentele de transport industrial, oferind un compromis excelent între înălțimea totală redusă și capacitatea de a trece peste obstacole. În magazinul RulStore găsești cea mai variată gamă de roți cu diametrul de 160 mm, de la modele economice pentru pubele, până la soluții "heavy-duty" marca TENTE pentru fabrici și depozite.
Ghid de alegere a materialului
Pentru a maximiza durata de viață a roții, alege seria potrivită mediului tău de lucru:
Seria TENTE IEP (Cauciuc Elastic): Cele mai confortabile roți. Bandajul din cauciuc elastic vulcanizat pe jantă de aluminiu absoarbe șocurile, protejează marfa și nu face zgomot.
Seria TENTE ITP (Poliuretan): Pentru sarcini grele și pardoseli cu așchii metalice sau uleiuri. Sunt extrem de rezistente la uzură și tăieturi.
Seria UOO (Poliamidă/Nylon): Roți albe, dure, ideale pentru industria alimentară (igienice) sau medii chimice, având o rezistență mică la rulare.
Seria DVR (Cauciuc Standard): Soluția economică pentru aplicații generale cu sarcini ușoare și medii.
Tipuri de montaj disponibile
Poți comanda roata fi 160 mm în funcție de nevoia utilajului tău:
Roată simplă: Doar partea de rulare, cu rulmenți incluși în butuc;
Pivotantă: Cu furcă rotativă pentru manevrabilitate;
Cu frână: Pentru blocarea sigură în pantă;
Fixă: Pentru stabilitate pe trasee drepte.
Indiferent de aplicație, stocurile noastre sunt pregătite. Comandă acum roata fi 160 mm potrivită și beneficiază de calitatea germană și livrare rapidă oriunde în țară.

