Van fiókod?
Jelentkezzen be a rendelés gyorsabb lebonyolításához.
Fără TVA: 189,76 lei
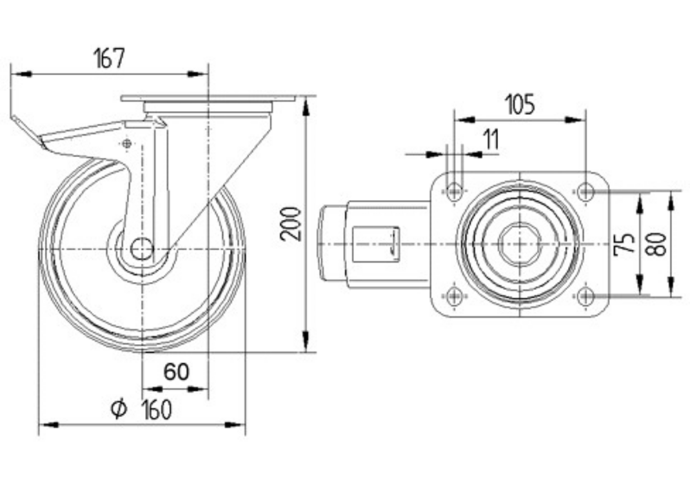
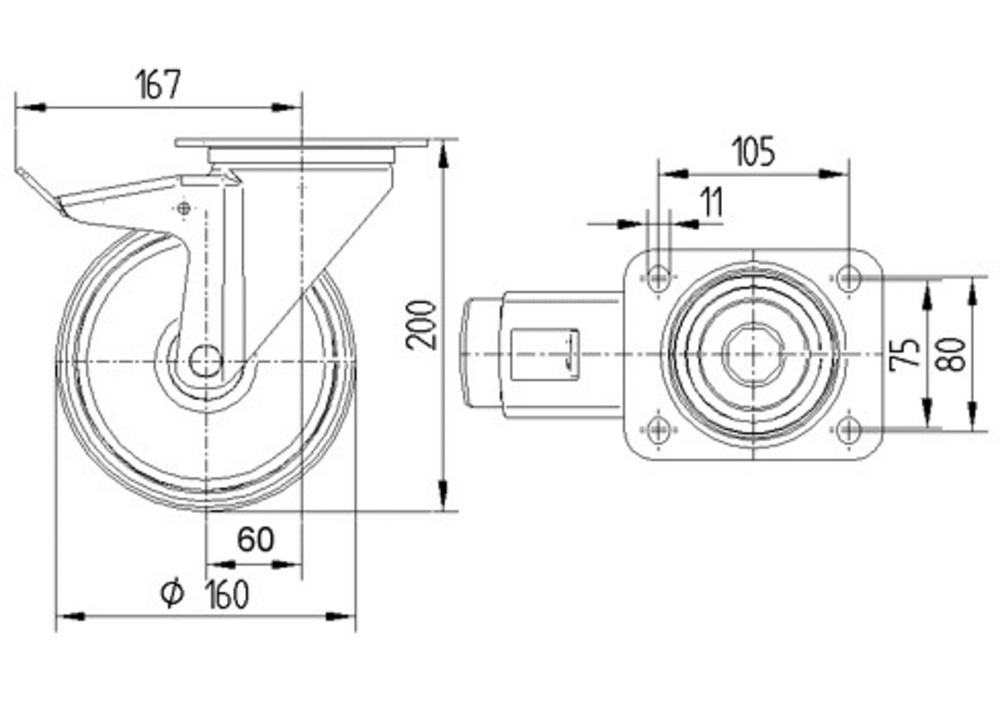
Teljesen fékezhető forgóvillák, pedál a menetiránnyal ellentétes oldalon, préselt acéllemez villa, horganyzott, dupla golyóscsapágyas forgófej, csavaros és anyás keréktengely, porvédő peremes, talplemezes rögzítés. Alumínium felni, elasztikus gumi futófelület, precíziós csapágy.